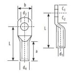
EN 13600 Standartında Bakır (CU-ETP) tavlı boru malzemeden üretilmiştir.
Bakır iletkenlik oranı %99.9’dur. 6-8 µ (micron) aralığında kalay kaplamalıdır.
Açıklama


























Değerlendirmeler
Henüz değerlendirme yapılmadı.